| штат: | |
|---|---|
| Количество: | |
Введение
DSI Direct UHT -единицы представляют собой передовые системы термообработки, разработанные специально для продовольственной и напитки. Основная и эффективная функция DSI Direct UHT - это быстро и эффективно стерилизовать жидкие продукты, обеспечивая безопасность путем разрушения вредных микроорганизмов, сохраняя при этом питательную ценность, вкус и цвет продукта. Этот блок DSI Direct UHT обычно используется для жидкостей, таких как молоко, соки, напитки, супы и соусы.
>> функция
Технология прямого нагрева: DSI Direct UHT -единицы используют прямую инъекцию пара для нагрева жидкостей. Пар вводится непосредственно в продукт, быстро повышая ее температуру до желаемого уровня стерилизации. Этот метод быстрее, чем косвенное нагревание (например, использование теплообменника пластины), и обеспечивает повышение энергоэффективности и более быстрое время обработки.
Высокоэффективная стерилизация: эта единица DSI Direct UHT нагревает жидкости до сверхвысоких температур (обычно от 135 ° C до 150 ° C) за очень короткий период времени, эффективно убивая бактерии, дрожжи, плесень и другие патогены. Это быстрое нагревание сводит к минимуму время, когда продукт подвергается воздействию тепла, сохраняя его сенсорные качества и содержание питания.
Энергоэффективная конструкция: DSI Direct UHT -единицы разработаны с учетом энергоэффективности. Он оснащен оптимизированным использованием пара и передовой системой восстановления тепла, которая захватывает и повторно использует тепловую энергию для предварительного нагрева входящих продуктов, снижая общее потребление энергии и повышая эффективность работы.
Точный контроль температуры: единица DSI Direct UHT включает в себя расширенный механизм контроля температуры, который точно регулирует температуру и время обработки, обеспечивая обработку каждой партии в точные стандарты качества и безопасности.
Автоматизированная операция: единицы UHT полностью автоматизированы и могут быть легко интегрированы в производственные линии. Блок DSI Direct UHT включает в себя ПЛК (программируемый логический контроллер) с интерфейсом сенсорного экрана, предоставляя пользователям мониторинг и управление процессом стерилизации в реальном времени. Эта автоматизация снижает необходимость в ручном вмешательстве, минимизации человеческой ошибки и повышению эффективности работы.
Материалы премиум-класса: DSI Direct UHT-блока изготовлена из нержавеющей стали и других пищевых материалов для обеспечения гигиены и долговечности. Он предназначен для легкой очистки и обслуживания, снижая риск перекрестного загрязнения между партиями.
Универсальные применения: DSI Direct UHT -единицы подходят для использования с различными жидкими продуктами и напитками, включая молочные продукты (например, молоко, сливки), соки, супы, соусы и ароматизированные напитки. Особенно эффективно для продуктов со строгими требованиями к стерилизации, такими как молочные продукты и высококистные напитки.
Преимущество
Качество превосходного продукта: метод прямого впрыска пара обеспечивает быстрое повышение температуры, помогая сохранить вкус, цвет и содержание питания в вашем продукте, эффективно стерилизуя его.
Расширенный срок годности: стерилизация UHT значительно продлевает срок годности продуктов без необходимости консервантов или охлаждения, помогая сократить отходы и улучшить стабильность продукта.
Более низкие эксплуатационные расходы: энергоэффективные конструкции и автоматизированные системы помогают снизить потребление энергии и затраты на рабочую силу. Расширенная система восстановления тепла дополнительно снижает общие эксплуатационные расходы.
Гибкие и адаптируемые: DSI Direct UHT -единицы могут быть легко адаптированы для обработки различных жидких продуктов, что делает их универсальным решением для различных применений для продуктов питания и напитков.
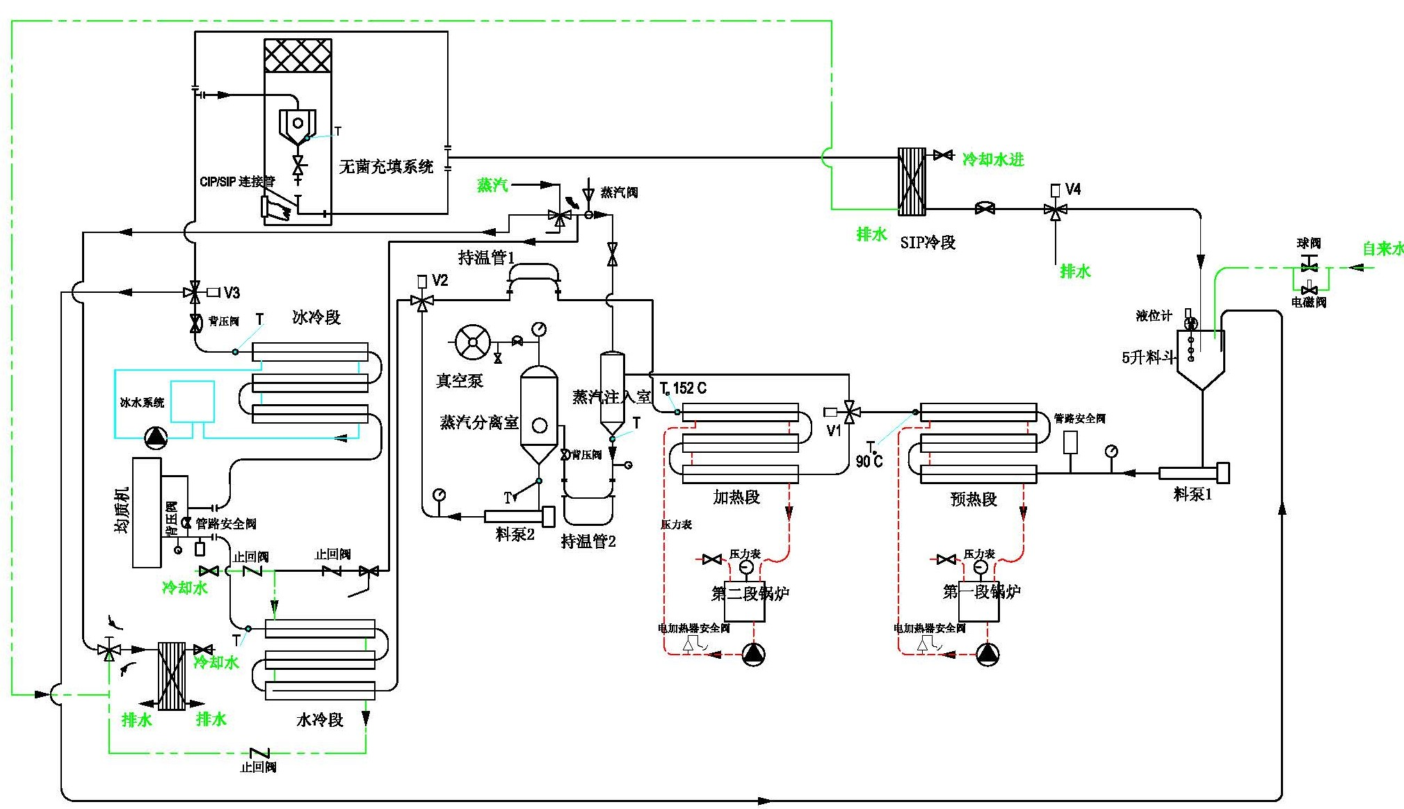
>> Схематическая схема стерилизации инъекции пара:
>> Блок -схема

Технический параметр
Диапазон температуры нагрева: от 135 до 150 ℃
Пропускная способность: варьируется в зависимости от модели, обычно сотни до тысяч литров в час.
Метод нагрева: введите пар непосредственно в продукт.
Система управления: автоматизация на основе ПЛК с сенсорным интерфейсом экрана; Удаленный мониторинг возможна.
Функции безопасности : включая защиту от чрезмерной температуры, высоковольтную тревогу и другие механизмы безопасности.
Материал: изготовлен из высококачественной нержавеющей стали и других пищевых материалов.
>> Конфигурация
|
|
| Преимущества:
|
|
|
|
|
| Функция управления уровнем бункера
|
|
|
|
|
Приложение
Молочные продукты (молоко, крем, йогурт)
Фруктовые соки и напитки
Супы и соусы
Ароматизированные напитки и безмолковые напитки
Готовые к употреблению супы и соусы

Услуга
Один год гарантия
Установка и отладка на сайте
Служба тестирования образца материала на нашей лабораторной машине стерилизации
Долгосрочный сервис аксессуаров пастерилизации
>> FAQ
Q: Что такое UHT UNIT DSI Direct?
A: Прямая единица HAHT (сверхвысокая температура) представляет собой систему термообработки, используемая для стерилизации жидкой пищи и напитков путем быстрого нагрева до сверхвысоких температур (обычно от 135 ° C до 150 ° C) за очень короткий промежуток времени. Этот процесс убивает вредные микроорганизмы, сохраняя при этом вкус, цвет и питательную ценность продукта.
В: Как работает подразделение DSI Direct UHT?
A: Прямые устройства UHT используют Steam для впрыскивания тепла непосредственно в продукт, быстро повышая ее температуру до желаемого уровня стерилизации. Пару смешивается с продуктом, а жара парового стерилизует жидкость. Быстрое отопление сводит к минимуму воздействие тепла и уменьшает потерю вкуса и питательных веществ.
В: Какова способность DSI Direct UHT Unit?
A: емкость устройства зависит от конкретной модели. Он может обрабатывать сотни до тысяч литров в час. Пользовательские модели могут быть разработаны для удовлетворения конкретных производственных потребностей.